Boost your business continuity and slash utility costs with Freezetech Dynamics' advanced Solar Panels and Energy Storage Machine. Our integrated solution captures clean energy, provides reliable backup power for your critical freezing operations, and ensures maximum efficiency, keeping your costs down and your systems running smoothly, day or night. Invest in sustainable reliability and powerful savings today.

Solar panels in a field with a large energy storage unit labeled 'Industrial & Commercial Energy Storage' and illuminated pathways indicating the flow of energy, with the text 'Powering the future of cold storage' and a sunset sky.

Solar panels and Energy Storage Machine

Diagram showing a business energy storage system connected to grid and PV sources, distributing power to buildings, factories, and charging stations, with local and mobile device connectivity.

Our Home Energy Storage Units (HESU) ensure your crucial appliances, including your freezer, remain powered during outages, protecting your frozen goods and family comfort. Take control of your electricity bills by storing solar energy and powering your home reliably, day and night. Invest in security, savings, and sustainability with our compact, powerful HESU solution.

Solar panels installed on a metal rooftop with workers installing them under a clear sky.
Solar panels installed on a rooftop under a partly cloudy sky.
A modern house with solar panels on the roof, illuminated in warm lighting during dusk, with a bicycle outside and a tree nearby.

Solar panels and Energy storage Machine

Maximizing efficiency and minimizing operating costs is paramount. Our Industrial and Commercial Energy Storage Units (ICESU) deliver just that, providing the reliable power backup essential for maintaining optimal freezer temperatures and offsetting high peak-demand charges. Invest in the resilient, cost-effective energy solution that ensures consistent performance and unlocks immediate savings for your operations.

  • The system uses modular inverter limits that are paralleled with each inverter module's DC input corresponding to a battery cabinet

  • The number of AC/DC power modules and the power capacity of the AC/DC power system are flexible, with a standard configuration ranging from 60 kW x 5 up to 300kW:

  • Each single battery cabinet integrates a photovoltaic DC input interface and a battery controller box

  • the AC output of the AC/De power module is isolated by a transformer

  • High power density, compact size, small footprint, and easy installation and transportation

  • Supports photovoltaic integration and matches distributed MPPT controllers 4G and Wi-Fi online intelligent monitoring enables remote inspection reduces the need for on-site manual tasks:

  • Deploys on demand and operates automatically during peak saving and valley filling, support integrated control of BMS, PCS, and EMS systems with multiple protection mechanisms

  • Includes load grid, PV and bypass switches true all in one design. no additional accessories required

  • Features a built-in STS for grid-tie switching and an EMS fot energy management with switching time of less than 20 milliseconds between multiple power sources

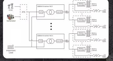
Diagram of a solar power system with generator, inverters, batteries, and loads.
  • For hybrid systems with loads exceeding 500kW; it is recommended to use a large-capacity 500 kW single-unit energy storage inverter,capable of supporting up to four sets of parallel connections, achieving a total power output of 2 MW

  • When operating multiple 500 kW systems in parallel and distributing STS across different 500 kW inverters it is crucial to ensure that the cable length from the grid tie-point to the load tie-point is consistente